Hydra MKB MKP 3/500/1755 kondenzátor motorový 3uF
Kód: H7207316Detailní popis produktu
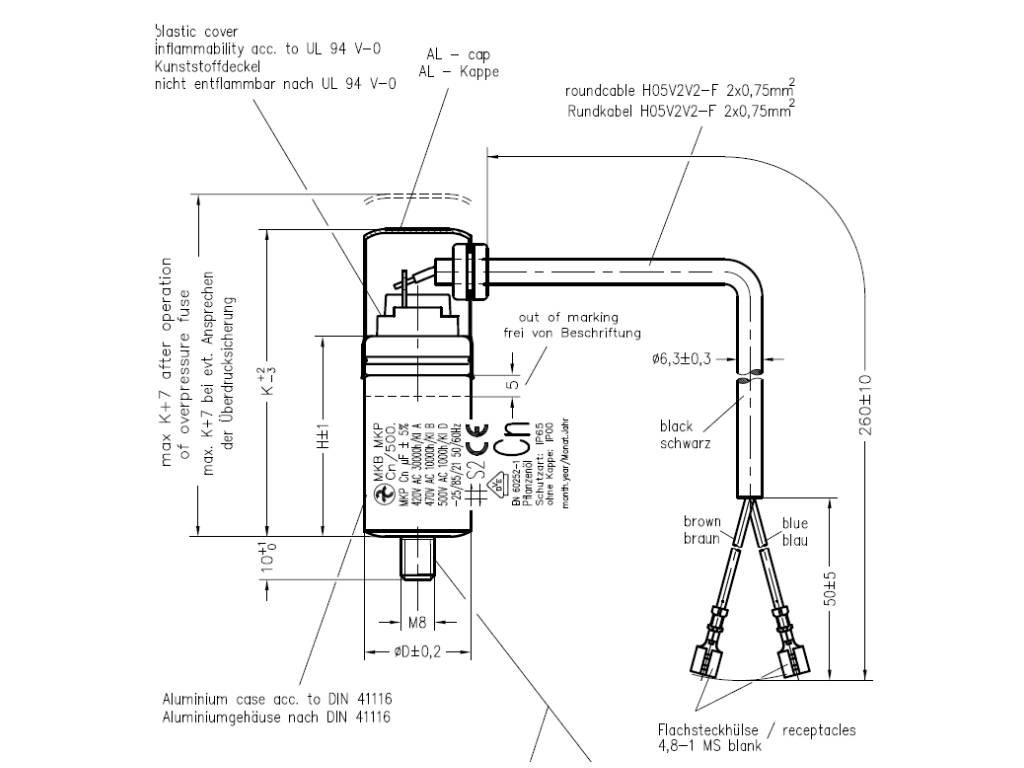
Hydra MKB MKP 3/500/1755
p>Vysoce kvalitní motorový kondenzátor navržený pro stabilní a dlouhodobý provoz elektromotorů v domácích i průmyslových aplikacích.
Vlastnosti
- Ideální pro dlouhodobý provoz motorů
- Kompaktní rozměry pro snadnou instalaci
- Vysoká životnost při různých provozních podmínkách
- Bez nutnosti šroubování pro jednoduchou montáž
Technické parametry
| Kapacita: | 3 µF |
| Napěťová řada: | 500V AC (max. pracovní napětí 500V AC) |
| Průměr: | 25 mm |
| Délka: | 85 mm |
| Pracovní teplota: | -25÷85 °C |
| Tolerance kapacity: | ±5 % |
| Vývody: | 2 vodiče; 2x fast-on 4,8x0,8mm |
| Montáž: | šroub M8 |
| Životnost: | Při 420V AC až 30 000 hodin |
Použití
Vhodný pro širokou škálu zařízení s elektromotorem:
- Pračky
- Myčky nádobí
- Klimatizační jednotky
- Ventilátory
- Vodní čerpadla
- Další spotřebiče s elektromotory
⚠
TIP odborníka
Kondenzátory se často zničí v nejméně vhodnou chvíli – třeba o víkendu, což může znamenat výpadek čerpadla, vodárny, filtrace nebo sekačky.
Doporučujeme zakoupit dva kusy, abyste měli vždy náhradní kondenzátor po ruce. Vyplatí se být připraven!
Doplňkové parametry
| Kategorie: | Běhové a rozběhové kondenzátory |
|---|---|
| Typ: | kondenzátor |
| Druh: | motorový, rozběhový |
| Kapacita (uF): | 3 |
| Pracovní napětí (V): | 500 AC |
| Délka (mm): | 85 |
| Průměr (mm): | 25 |
| Tolerance (%): | ±5 |
| Montáž: | přišroubováním (M8) |
| Vývody: | 2 vodiče, 2x faston 4,8x0,8mm |
| Výrobní společnost : | HYDRA a.s. |
|---|---|
| Adresa : | Průmyslová 1110, 506 01 Jičín, Česká Republika |
| E-mail : | office@hydra-components.com |
