APEM 5649ADB páčkový přepínač
Kód: 106060078Detailní popis produktu
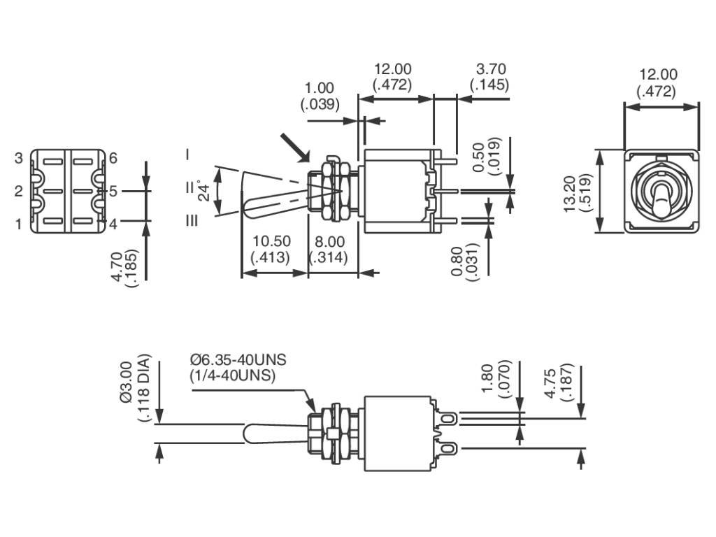
Apem 5649ADB
Praktický páčkový přepínač s konfigurací DPDT pro jednoduché ovládání elektrických zařízení.
Technické parametry
- Konfigurace: DPDT (Dual Pole Dual Throw)
- Polohy: 3 stabilní (ON-OFF-ON)
- Maximální proud: 4A
- Maximální napětí: 30VDC
- Rozměry montážního otvoru: ∅6,5mm
- Vývody: 6x pájecí vývod
Doplňkové parametry
| Kategorie: | Páčkové spínače a přepínače |
|---|---|
| Konfigurace: | DPDT |
| Podsvětlení: | není |
| Polohy: | ON-OFF-ON |
| Rozměry montážního otvoru: | ø6,5mm |
| Zatížitelnost kontaktů: | 4A / 30VDC |
